
| CM、CDM系列滾珠絲杠副 |
| 來源: 發布:2021/3/23 10:19:17 |
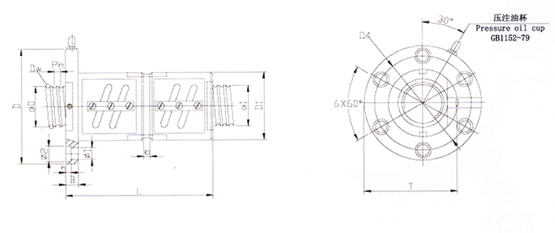
滾珠絲杠副特性: 滾珠絲杠傳動系統是一個以滾珠作為滾動媒介的滾動螺旋傳動的體系。 以傳動形式分為兩種: (1)將回轉運動轉化成直線運動。 (2)將直線運動轉化成回專運動。 傳動效率高: 滾珠絲杠傳動系統的傳動效率高達90%-80%,為傳動的滑動絲杠運動的2-4倍,所以能以較小的扭矩得到較大的推力,亦可由直線運動轉為旋轉運動(運動可逆)。 運動平衡: 滾珠絲杠傳動系統為點接觸滾動運動,工作中摩擦阻力小,靈敏度高、啟動時無顫動、低速時無爬行現象,因此可精密地控制微量進給。 高精度: 滾珠絲杠傳動系統運動中溫升較小,并可預緊消除軸向間隙和對絲杠進行預拉伸以補償熱伸長,因此可以獲得較高的定位精度和重復定位精度。 高耐用性: 鋼球滾動接觸外均經硬化(HRC58-62)處理,并經精密磨削,循環體系過程純屬滾動,相對對磨損甚微,故具有較高的使用壽命和精度保持性。 同步性好 與其他傳動機械,液壓傳動相比,滾珠絲杠傳動系統故障很低,維修保養也較簡單,只需進行一般的潤滑和防塵。在特殊場合可在無潤滑狀態下工作。 無背隙與預緊 采用哥德式溝槽形狀、軸向間隙可調整得很小。也能輕便地傳動。若加入適當的預緊載荷,消除軸向間隙,可使絲杠具有更佳的剛性,在承載式減少滾珠盒螺母、絲杠間的彈性變形,達到更高的精度 。
|
| 【刷新頁面】【打印此文】 【關閉窗口】 |
| 上一篇:滾珠絲杠 下一篇:G、GD系列滾珠絲杠副 |